SLO

Navodila za montažo, uporabo in vzdrževanje




PELETNI GORILNIK ECO 3.4 P


Peletni gorilnik ECO 3.4 P s priključno cevjo in kontrolno ploščo




1

1. OPOZORILA

Gorilnik sam ne omogoča varovanja kotla pred pregrevanjem, zato je potrebno dodatno vgraditi regulator za varovanje kotla pred pregrevanjem.

NAVODILA ZA RAVNANJE V PRIMERU POŽARA DIMNIKA

Če izbruhne dimniški požar, ohranite mir in prisebnost. Pomembno je, da upoštevate 2 temeljni pravili:

1. NE ODPIRAJTE DIMNIŠKIH VRATC!
2. NE GASITE Z VODO!

Takoj pokličite na telefonsko številko 112 in sporočite:

O požaru obvestite vse stanovalce in gasilcem omogočite dostop. Iz bližine dimnika odstranite vse gorljive predmete, preglejte vse prostore, skozi katere poteka dimnik in se prepričajte o njegovi tesnosti. Ne vstopajte v zadimljene prostore in tudi, če se vam zdi, da se je gorenje umirilo, nikakor sami ne odpirajte dimniških vratc.

Takoj pokličite tudi pristojnega koncesionarja dimnikarske službe. (Dimnikar lahko kontrolira proces izgorevanja v dimniku)

2

2. Navodila za uporabo

Spoštovani,
Zahvaljujemo se vam za nakup gorilnika LAMBORGHINI ECO 3.4P, visoko kakovostne zasnove, napredne tehnologije, visoke zanesljivosti in konstrukcijske kakovosti.

ECO 3.4P je peletni gorilnik, ki je zaradi svoje izjemne kompaktnosti in izvirne konstrukcije primeren za uporabo na večini sodobnih kotlov na trda goriva na tržišču. Skrbno vodeno projektiranje in industrijska proizvodnja sta razloga, da ima izdelek nadvse uravnotežene lastnosti, visok izkoristek, nizke emisije CO in NOx in zelo tiho delovanje.

2.1 Upravljalna plošča

Slika 1: skica upravljalne plošče z gumbi 1-7 in LCD zaslonom z oznakami 8-19
1 Gumb za nastavitev dneva/ure
2 Gumb za izbiro načina delovanja
3 Gumb za premostitev (Override)
4 Gumb -
5 Gumb za programiranje
6 Gumb +
7 Prikazovalnik
8 Znak samodejnega delovanja
9 Znak menija za programiranje
10 Znak zahteve po vklopu gorilnika
11 Ni uporabljen
12 Večnamenski znak: pri samodejnem delovanju prikazuje vklop delovanja na programski uri. Če ni bilo izbrano samodejno delovanje, prikazuje vklop ročnega načina vklopa.
13 Znak premostitve
14 Znak dneva
15 Znak nastavitve
16 Trenutna ura
17 Trenutne minute
18 Dan v tednu
19 Oznaka vklopljenega gorilnika

PRIKAZOVALNIK MED DELOVANJEM

Zahteva po vklopu (ki jo sproži sklenitev kontaktov na priključnih sponkah t1-t2 glej stikalni načrt) je prikazana s prikazom znaka radiatorja (poz. 10 - Slika 1).

Slika 2 in Slika 3: prikazovalnik z uro 16:30 in prikazovalnik z napisom nOCU

VKLOP

Vključite električno napajanje naprave:
- Prvih 10 sekund prikazovalnik prikazuje različici programske opreme; med tem časom se lahko za nekaj sekund pojavi napis "nOCU".
- Po preteku tega časa je gorilnik pripravljen za delovanje.

3

2.2 Nastavitve

Vnos ure

  1. Pritisnite na gumb za vnos dneva/ure (poz. 1 - Slika. 1).
  2. Na prikazovalniku (poz. 7 - Slika. 1), utripata ikoni URA in DAN: vnesite trenutni dan v tednu s tipkama + in - (poz. 4 in 6 - Slika. 1), pri čemer upoštevajte, da je 1=ponedeljek, 7=nedelja. Potrdite izbrani dan s pritiskom na gumb za vnos dneva/ure (poz. 1 - Slika. 1).
  3. Na prikazovalniku (poz. 7 - Slika. 1), utripata številki TRENUTNE URE in ikona URA: vnesite točno uro s tipkama + in - (poz. 4 in 6 - Slika. 1), od 00 do 23. Potrdite uro s pritiskom na gumb za vnos dneva/ure (poz. 1 - Slika. 1).
  4. Na prikazovalniku (poz. 7 - Slika. 1), utripata številki TRENUTNIH MINUT in ikona URA: vnesite točne minute s tipkama + in - (poz. 4 in 6 - Slika. 1), od 00 do 59. Potrdite minute s pritiskom na gumb za vnos dneva/ure (poz. 1 - Slika. 1).

Samodejno delovanje ogrevanja, ročni vklop, ročni izklop

S pritiskom na gumb za izbiro načina delovanja (poz. 2 - Slika. 1) lahko določite:

  1. Pri samodejnem delovanju je na prikazovalniku (poz. 7 - Slika. 1) prikazana ikona URA. Zahteva za vklop in izklop gorilnika je odvisna od vnesenega tedenskega programa. V časovnem pasu vklopa je na prikazovalniku (poz. 7 - Slika. 1) prikazana tudi ikona ON.
  1. Pri vklopljenem ročnem delovanju je na prikazovalniku (poz. 7 - Slika. 1) prikazana samo ikona ON. Gorilnik je ves čas pod zahtevo za delovanje.
Tedenski program je premoščen.
  1. Pri izklopljenem ročnem delovanju na prikazovalniku (poz. 7 - Slika. 1) ni prikazana niti ikona ON niti ikona URA. Gorilnik je ugasnjen.
Tedenski program je premoščen.

NASTAVITEV TEDENSKEGA PROGRAMA

6:30 8:30
12:00 12:00
16:30 22:30

Tedenski program ima že določene 3 urne pasove za VKLOP (ON) in 3 urne pasove za IZKLOP (OFF): so enaki za vse dni v tednu. V časovnem pasu zahteve za vklop je na prikazovalniku (poz. 7 - Slika. 1) prikazana ikona ON (vklop).

Pozor: preverite način delovanja gorilnika (glej razdelek 4.1)

SPREMINJANJE TEDENSKEGA PROGRAMA

  1. Pritisnite na gumb za programiranje "P" (poz. 5 - Slika. 1)
  2. Izberite dan, ki ga želite programirati, s tipkama + in - (poz. 4 in 6 - Slika. 1):
    • utripa dan 1 in radiator: programiranje ogrevanja za ponedeljek
    • utripa dan 2 in radiator: programiranje ogrevanja za torek
    • utripa dan 3 in radiator: programiranje ogrevanja za sredo
    • utripa dan 4 in radiator: programiranje ogrevanja za četrtek
    • utripa dan 5 in radiator: programiranje ogrevanja za petek
    • utripa dan 6 in radiator: programiranje ogrevanja za soboto
    • utripa dan 7 in radiator: programiranje ogrevanja za nedeljo
    • utripa dan 15 in radiator: programiranje ogrevanja za obdobje ponedeljek—petek
    • utripa dan 67 in radiator: programiranje ogrevanja za obdobje sobota - nedelja
    • utripa dan 16 in radiator: programiranje ogrevanja za obdobje ponedeljek—sobota
    • utripa dan 17 in radiator: programiranje ogrevanja za obdobje ponedeljek—nedelja
    • utripa dan 17 in radiator: ni uporabljen.
  3. Pritisnite na gumb za programiranje "P" (poz. 5 - Slika. 1).
  4. 06:30 in radiator utripata, ON, 1
    • Uporabite tipki + in - (poz. 4 in 6 Slika. 1) za spremembo začetka 1. časovnega pasu ON; na primer 06:00 Pritisnite gumb Programiranje "P" (poz. 5 - Slika. 1).
  5. 08:30 in radiator utripata, 2
    • Uporabite tipki + in - (poz. 4 in 6 Slika. 1) za spremembo začetka 1. časovnega pasu OFF; na primer 09:00 Pritisnite gumb Programiranje "P" (poz. 5—Slika. 1).
  6. 12:00 in radiator utripata, ON, 3
    • Uporabite tipki + in - (poz. 4 in 6 Slika. 1) za spremembo začetka 2. časovnega pasu ON; na primer 12:30 Pritisnite gumb Programiranje "P" (poz. 5—Slika. 1).
  7. 12:00 in radiator utripata, 4
    • Uporabite tipki + in - (poz. 4 in 6 Slika. 1) za spremembo začetka 2. časovnega pasu OFF; na primer 14:00 Pritisnite gumb Programiranje "P" (poz. 5—Slika. 1).
  8. 16:30 in radiator utripata, ON, 5
    • Uporabite tipki + in - (poz. 4 in 6 Slika. 1) za spremembo začetka 3. časovnega pasu ON; na primer 16:00 Pritisnite gumb Programiranje "P" (poz. 5—Slika. 1).
  9. 22:30 in radiator utripata, 6
    • Uporabite tipki + in - (poz. 4 in 6 Slika. 1) za spremembo začetka 3. časovnega pasu OFF; na primer 23:30 Pritisnite gumb Programiranje "P" (poz. 5 - Slika. 1)
  10. S ponovitvijo zgoraj opisanega postopka lahko programirate 4. časovni pas ON in 4. časovni pas OFF.
  11. S pritiskom na gumb za programiranje "P" (poz. 5 - Slika. 1) za 3 sekunde, zapustite programiranje.

MENI ZA DOLOČITEV PARAMETROV

V meni za določitev parametrov dostopate tako, da pridržite tipko “M” (poz. 2—Slika. 1) za 5 sekund. Prikaže se parameter “u01”: označuje ga napis SET 01. S pritiskom na gumb “P” (poz. 5 - Slika. 1) lahko pregledate seznam parametrov.

Za spremembo vrednosti parametra zadošča pritisk na tipki + in - (poz. 4 in 6 - Slika. 1): sprememba se samodejno shrani. Po spremembi parametra je potrebno počakati 3 sekunde: podatek utripa in se shrani.

4
TABELA 1
Parameter Opis Razpon Privzeta vrednost
U01 Uravnavanje nastavitvene točke dvižnega voda 30-80 °C 80 °C
U02 Največja moč gorilnika 1-5 3
U03 Način delovanja gorilnika 0-2 0

Za izhod iz menija 5 sekund pridržite gumb za "izbiro načina delovanja - M" (poz. 2 — Slika. 1).

MENI ZA DOLOČITEV DELOVNIH PARAMETROV

V meni za določitev delovnih parametrov pridete tako, da 10 sekund pridržite na programsko tipko "P" (poz. 5 - Slika. 1). Prikaže se parameter "t01": označuje ga napis SET 01. S pritiskom na gumb "P" (poz. 5 - Slika. 1) lahko pregledate seznam parametrov.

Za spremembo vrednosti parametra zadošča pritisk na tipki + in - (poz. 4 in 6 - Slika. 1): sprememba se samodejno shrani. Po spremembi parametra počakajte 3 sekunde: podatek utripa in se shrani.

TABELA 2
Parameter Opis Razpon Privzeta vrednost
t01 Funkcija polnjenja peletov 0=onemogočeno
1=omogočeno
0=onemogočeno
t02 Tipalo dvižnega voda 0=onemogočeno
1=omogočeno
1=omogočeno
t03 Nastavitvena točka ventilatorja pri vžigu 0-200 Pa 51 Pa
t04 Čas vklopa polža pri vžigu 0-100 (1=4sek) 12
t05 Timer za izračun regulacije (samo pri moduliranem delovanju gorilnika s tipalom na dvižnem vodu) 0-100 sekund 5 sekund
t06 Timer funkcije lopute 0-100 sekund 80 sekund
t07 Perioda (čas vklopa + izklopa) polža pri dani moči (1-5) 0-50 sekund 10 sekund
t08 Nastavitvena točka ventilatorja pri moči 1 0-200 Pa 38 Pa
t09 Čas vklopa polža pri moči 1 0-100 (100=10 sekund) 28
t10 Nastavitvena točka ventilatorja pri moči 2 0-200 Pa 74 Pa
t11 Čas vklopa polža pri moči 2 0-100 (100=10 sekund) 38
t12 Nastavitvena točka ventilatorja pri moči 3 0-200 Pa 133 Pa
t13 Čas vklopa polža pri moči 3 0-100 (100=10 sekund) 46
t14 Nastavitvena točka ventilatorja pri moči 4 0-200 Pa 150 Pa
t15 Čas vklopa polža pri moči 4 0-100 (100=10 sekund) 53
t16 Nastavitvena točka ventilatorja pri moči 5 0-200 Pa 170 Pa
t17 Čas vklopa polža pri moči 5 0-100 (100=10 sekund) 56
t18 Izbira načina delovanja gorilnika (samo s tipalom na dvižnem vodu) 0=Vklop/Izklop
1=modulirano
0=Vklop/izklop
t19 Čas postventilacije 0-100 (100=10 sekund) 99
t20 Napetost fotoupora (samo za prikaz) 0-200 --

Za izhod iz menija 10 sekund pritiskajte na programski gumb "P" (poz. 5 - Slika. 1).

2.3 Navodila za delovanje

Delovanje pravilno vgrajenega in nastavljenega gorilnika poteka popolnoma samodejno in ne zahteva nadzora s strani uporabnika. V primeru pomanjkanja goriva ali napake se gorilnik ustavi in blokira. Priporočamo vam, da poskrbite za dopolnitev goriva, še preden v celoti poide in tako preprečite nepravilno delovanje gorilnika.

Pazite, da v prostoru, v katerem je vgrajen gorilnik, ni vnetljivih predmetov ali snovi, korozivnih plinov ali hlapnih snovi ter da v njem ni prahu. Prah, ki ga vsesa ventilator, se prijema za lopatice turbine in zmanjšuje pretok zraka oziroma povzroča mašitev lopute za stabilnost plamena, kar povzroči poslabšanje učinkovitosti.

Ne dovolite, da v gorilnik posegajo neizkušene osebe ali otroci.
Vrednost parametra Moč - kW
1 14
2 20
3 25
4 30
5 34

Nastavitev največje moči (param. u02) v odvisnosti od kotla.

5

3 Vgradnja

3.1 Splošna določila

Naprava se mora uporabljati izključno v namen, za katerega je predvidena. Naprava se v skladu s svojimi značilnostmi in zmogljivostjo in svojo toplotno močjo lahko namesti na generatorje toplote na trda goriva. Vsaka druga uporaba je neustrezna in nevarna. VGRADNJO IN UMERJANJE GORILNIKA LAHKO OPRAVIJO IZKLJUČNO STROKOVNO KVALIFICIRANE OSEBE OB UPOŠTEVANJU VSEH NAPOTKOV V PRIČUJOČIH TEHNIČNIH NAVODILIH.

3.2 Vgradnja na kotel

Prostor, v katerem sta vgrajena kotel in gorilnik, mora imeti izvode na prosto, kakor to predpisujejo veljavni predpisi. Na mestu vgradnje ne sme biti vnetljivih predmetov ali snovi, korozivnih plinov, prahu ali hlapnih snovi.

GORILNIK JE PROJEKTIRAN ZA DELOVANJE NA GENERATORJIH TOPLOTE S PODTLAČNO ZGOREVALNO KOMORO.
GORILNIK NI DOVOLJENO MONTIRATI NA PLINSKE KOTLE, ALI KOTLE, KI NISO PROJEKTIRANI ZA KURJAVO S PELETI.
ZA MOREBITNO NASTALO ŠKODO, KOT POSLEDICA MONTAŽE NA NEUSTREZNE KOTLE NE PREVZEMAMO ODGOVORNOSTI.

MINIMALNA GLOBINA KURIŠČA, V KATEREGA JE MONTIRANA ZGOREVALNA KOMORA GORILNIKA MORA ZNAŠATI VSAJ 40 cm.

3.3 Električne povezave

Gorilnik je opremljen z večpolno priključnico za električne priključke; glejte stikalni načrt. Dolžina priključnih kablov mora omogočati odpiranje gorilnika in po potrebi vrat kotla. Gorilnik se priključi na enofazno električno omrežje, 230 V-50 Hz.

Učinkovitost in ustreznost ozemljitve dajte preveriti strokovnjaku. Pazite na polariteto (FAZA: rjavi vodnik / NIČLA: modri vodnik / ZEMLJA: rumeno-zelen vodnik). PRI MONTAŽI GORILNIKA NA KOTEL, KI NIMA ŽE VGRAJENEGA VAROVANJA KOTLA JE POTREBNO TAKŠNO VAROVANJE DODATNO IZVESTI.

3.4 Dovajanje goriva

Gorilniku je treba dovajati gorivo, za katerega je predviden in ki je navedeno na tablici na napravi. Uporabniku priporočamo uporabo kakovostnih peletov, saj peleti slabe kakovosti znižujejo toplotno moč in imajo visoko vsebnost pepela.

Slika 4: dovajalna cev in zgorevalna posoda z motorjem

Zaporedje polnjenja peletov:

  1. Vklopite električno napajanje gorilnika.
  2. Počakajte na konec faze predventilacije.
  3. Pritisnite gumb za premostitev (Override, poz. 3 - Slika. 1) in ga zadržite, dokler se ne začne prvi 5-minutni poskus polnjenja polža s peleti.
  4. Med tem časom polž dovaja pelete v zgorevalno glavo. Postopek traja 5 minut.
  5. Po končanem prvem poskusu preverite, ali so peleti dosegli zgorevalno glavo.
  6. Če peleti še niso dosegli glave, ponovno pritisnite gumb za premostitev (Override) za zagon drugega 5-minutnega poskusa.
  7. Postopek po potrebi ponovite še tretjič (skupaj največ trije 5-minutni poskusi).
  8. Ko so peleti v zgorevalni glavi, polnjenje zaključite tako, da pridete iz funkcije.
  9. Med polnjenjem peletov gorilnik ne izvaja vžiga; namen je le napolniti dovajalni polž.
  10. Po končanem polnjenju je gorilnik pripravljen za normalno delovanje.
6

4 Servisiranje in vzdrževanje

Vse postopke nastavitev, prvega zagona in vzdrževanja mora izvesti kvalificirano strokovno osebje v skladu z veljavnimi predpisi. LAMBORGHINI zavrača vsako odgovornost za povzročeno škodo stvarem in/ali osebam zaradi poseganja v napravo s strani nekvalificiranih ali nepooblaščenih oseb.

4.1 Načini delovanja gorilnika

Za upravljanje delovanja gorilnika so predvidene 3 metode:

A - Upravljanje gorilnika (privzeta nastavitev). Zahteva za vklop gorilnika se vključi samo ob sklenitvi kontakta na priključnih sponkah T1-T2 (stikalni načrt). Ura in določeni tedenski program sta premoščena.

B - Upravljanje gorilnika (z notranjo uro ali kontaktom). Zahtevo za vklop gorilnika vključi ura (med samodejnim delovanjem v pasu ON) ali ob sklenitvi kontakta na priključnih sponkah T1-T2.

C - Upravljanje gorilnika (z notranjo uro ali kontaktom). Zahtevo za vklop gorilnika vključi ura ali sklenitev kontakta na priključnih sponkah T1-T2.

4.2 Zagon

Pred vklopom gorilnika

Vklop gorilnika

Umerjanje gorilnika

  1. Priključite analizator izgorevanja na izhod iz kotla in pustite gorilnik delovati s polno močjo 30 minut.
  2. PREVERITE, DA JE V ZGOREVALNI KOMORI PODTLAK.
  3. Kontrolirajte izgorevanje pri največji moči gorilnika (parameter U02 nastavljen na največjo vrednost).
  4. Parametri izgorevanja morajo biti: O2 med vključno 5 % in 9 %; CO med vključno 150 in 1000 ppm.
  5. Če je vrednost O2 izven obsega 5–9 %, ustrezno spremenite nastavitveno točko ventilatorja (parameter t pri trenutni moči, npr. t16 pri moči 5).
  6. Preverite tudi izgorevanje pri ostalih močeh tako, da parameter U02 znižate na 1 in postopno preverite vsako moč; po potrebi popravite ustrezne parametre ventilatorja in časa polža.
  7. Po končanem preverjanju vseh moči parameter U02 ponovno nastavite na ustrezno vrednost (glede na kotel).
  8. Shranite nastavitve in zaključite postopek umerjanja.
7

4.3 Vzdrževanje

Redno preverjajte čistost delov gorilnika, ki se onesnažijo odvisno od kakovosti peletov ali zaradi slabe nastavljenosti gorilnika. Gorilnik zahteva redno vzdrževanje, vsaj enkrat letno, katerega mora opraviti strokovnjak.

Odpiranje pokrova in demontiranje gorilnika

Pred kakršnimkoli čiščenjem ali kontrolo notranjosti gorilnika izklopite električno napajanje gorilnika z glavnim stikalom sistema.
Slika 5: razstavljen gorilnik za prikaz vijakov A, B, C za odpiranje pokrova in odstranitev iz ležišča

Pregledi delov in komponent

4.4 Odpravljanje težav

Gorilnik je opremljen z naprednim samodiagnostičnim sistemom. V primeru motnje v delovanju gorilnika, prikazovalnik utripa in prikazuje kodo napake.

TABELA 4
Koda Napaka Vzrok Rešitev
A01 Blokada zaradi izpada vžiga Prazen zalogovnik Napolnite zalogovnik s peleti.
Kabel polža je prekinjen ali odklopljen Vzpostavite povezavo
Okvara upora vžigalnika Zamenjajte upor vžigalnika in izpraznite glavo peletov.
Umazana zgorevalna glava Spraznite jo in jo očistite
Zamašen vod za dovajanje peletov Sprostite ga, kontrolirajte, da zgorevalna glava ni zamašena, po potrebi jo spraznite
F02 Odstranitev parazitskega plamena Zahteva po toploti je končana, a gorilnik zaznava plamen Počakajte na konec postventilacije
A02 Blokada zaradi parazitskega plamena Fotoupor v kratkem stiku Zamenjajte fotoupor
Na fotoupor pada svetloba od zunaj Odstranite vir svetlobe
A03 Napaka ožičenja Mostiček sponk S3-B4 ni priključen Preverite ožičenje
A04 Blokada varnostnega termostata polža Napačni parametri vžiga Preverite parametra t03=51 in t04=12
Kotel pod tlakom Očistite ga in preverite, če ima dimnik pravilen minimalen vlek (10 Pa)
Okvara varnostnega termostata Zamenjajte ga
F05 Napaka v regulaciji tlaka v vodu Cevka za priključitev tlačnega senzorja je stisnjena Zamenjajte
Okvara motorja ventilatorja Zamenjajte
Onesnažen ventilator Očistite
F06 Napaka pretvornika tlaka (odklopljen) Prekinjeno ožičenje Preverite ožičenje ali zamenjajte senzor
F10 Napaka sonde na okrovu kotla (če je omogočena) Senzor poškodovan Preverite ožičenje ali zamenjajte senzor
Ožičenje v kratkem stiku
Prekinjeno ožičenje
8

5 Lastnosti in tehnični podatki

5.1 Mere

Slika 6: tehnična risba meritev gorilnika

5.2 Splošen prikaz in glavni sestavni deli

Slika 7: prerez gorilnika in prikaz komponent od 1 do 13
1 Pretvornik tlaka
2 Krmilna enota
3 Ohišje gorilnika
4 Priključne sponke
5 Uporabniški vmesnik
6 Vžigalni upor
7 Fotoupor
8 Termostat (85°C)
9 Cev za dovod peletov
10 Motor
11 Ventilator
12 Plamena cev
13 Zgorevalna rešetka
9

5.3 Tabela s tehničnimi podatki

Podatek Enota mere Vrednost
Toplotna moč max.kW34,1(Q)
Toplotna moč min.kW13,7(Q)
Poraba goriva max.kg/h7,2
Poraba goriva min.kg/h2,9
Stopnja zaščiteIPX0D
Napetost/frekvenca napajanjaV/Hz230/50
Priključna močW100
Priključna moč vžigalnikaW300
Težakg11
Prostornina zalogovnikaLitrov195
Kapaciteta zalogovnikakg140
Mere peletov (premer/dolžina)mm6/35
Podtlak v zgorevalni komorimbar-0,2

Montaža gorilnika na kotel

Slika 8: skica montaže gorilnika na kotel z zalogovnikom ob strani
10

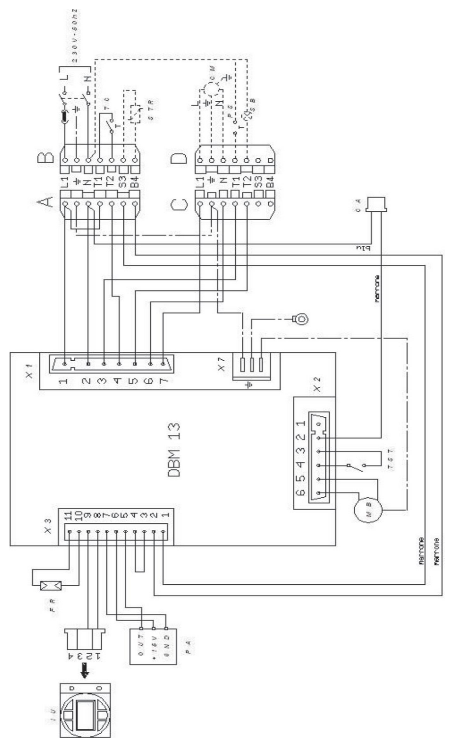
5.4 Stikalni načrt

Stikalni načrt z DBM 13 krmilnikom in priključki

LEGENDA

FR = Fotoupor
IU = Uporabniški vmesnik
MB = Motor gorilnika
TST = Varnostni termostat peletov
CA = Vžigalnik
CM = Motor polža
PA = Pretvornik zračnega tlaka
PS = stikalo za deblokiranje
SB = signal za blokado
STR = Tipalo temperature ogrevanja
TC = termostat kotla (varovanje)
Pomembno: pred priključitvijo zahtevnega kontakta na priključno sponko T1-T2 odstranite tovarniški mostiček s priključka.
11

Izjava o skladnosti CE

Podjetje Lamborghini z oznako CE zagotavlja, da je naprava narejena v skladu z ustreznimi direktivami Evropske unije.
Naprava je proizvedena v skladu s sledečimi EEC direktivami:



ZAHVALA

Zahvaljujemo se vam za zaupanje ob nakupu izdelka podjetja SELTRON.
S kakovostjo izdelkov, informacij in storitev bomo tudi v prihodnje poskušali še poglobiti in utrditi vaše zaupanje.

Če želite izkoristiti vse možnosti naprave, pazljivo preberite navodila. Celotna navodila shranite na primerno mesto, saj nikoli ne veste, kdaj jih boste spet potrebovali. Ko naprave ne boste več uporabljali in vam bo v napoto, poskrbite, da ne bo v breme okolju.



SELTRON d.o.o.
Tržaška cesta 85/a
2000 Maribor
Slovenija

tel: +386 (0) 2 671 96 00
fax: +386 (0) 2 671 96 66
http://www.seltron.si
email: info@seltron.si

12

PRILOGE

SELTRON d.o.o.
Tržaška cesta 85/a
2000 Maribor
SLOVENIJA
Tel: +386 (0)2 671 96 00
Fax: +386 (0)2 671 96 66
E-mail: info@seltron.si
http://www.seltron.si

GARANCIJSKI LIST

PROIZVAJALEC:
LAMBORGHINI CALOR S.p.A.
Via statale 342
44047 DOSSO
Italija
PRODAJALEC:
SELTRON d.o.o.
Tržaška cesta 85/a
2000 Maribor
SLOVENIJA
IZDELEK: Peletni gorilnik Lamborghini ECO 3.4P
Tovarniška številka izdelka: Garancijski rok: 24 mesecev
Žig in podpis prodajalca: Datum izročitve:
Žig in podpis podjetja, ki izvede montažo: Datum montaže:

Garancijski pogoji:

  1. Jamčimo za lastnosti in brezhibno delovanje v garancijskem roku, ki začne teči z izročitvijo blaga potrošniku.
  2. Zagotovili bomo servisno vzdrževanje in potrebne rezervne dele za proizvod v trajanju življenjske dobe proizvoda ali najmanj 7 let.
  3. Garancija velja 24 mesecev od dneva izročitve proizvoda, kar dokažete z dokumentom o nakupu ali izpolnjenim in potrjenim garancijskim listom.
  4. Stroške prevoza proizvoda, v času garancijske dobe, pri dostavi na in s servisnega popravila priznavamo proti predložitvi računa, po veljavni tarifi javnega prometa (pošta ali železnica).
  5. Izdelek, ki ne bo popravljen v roku 45 dni od dneva predložitve zahtevka za popravilo na pooblaščenem servisu, bomo na vašo željo zamenjali z brezhibnim izdelkom.
  6. Za refleksno škodo, in sicer tako za dejansko škodo na premoženju ali izgubljen dobiček, ki bi lahko nastala zaradi uporabe ali napake na proizvodu, ne odgovarjamo.
  7. Garancija ne velja, če je ugotovljeno, da izdelek ni bil vgrajen v skladu z navodili ali je predhodno popravilo opravila nepooblaščena oseba oziroma, če je bil proizvod poškodovan zaradi nepravilnega ravnanja ali višje sile.
  8. Garancija ne izključuje pravic potrošnika, ki izhajajo iz odgovornosti prodajalca za napake na blagu.
  9. Ta garancijska izjava velja na ozemlju Republike Slovenije.
  10. Garancija ne zajema vžigalnega mehanizma.
  11. Za uveljavljanje garancije mora gorilnik montirati in zagnati usposobljena in pooblaščena oseba.
13

PRILOGE

Zagoni in servis:

Spodnja tabela vsebuje imenik pooblaščenih izvajalcev za zagon in servis po regijah Slovenije. Vsi kontakti, naslovi in telefonske številke so prikazani v izvirnem dokumentu.

Tabela serviserjev po regijah z naslovi in telefonskimi številkami
14
SELTRON d.o.o.
Tržaška cesta 85/a
2000 Maribor
Slovenija
Tel: +386 (0)2 671 96 00
E-mail: info@seltron.si
http://www.seltron.si

Zapisnik zagona

Stranka
Ime in Priimek:

Ulica in hišna številka:

P.Š. in kraj:

Telefon:

Izvajalec zagona
Ime in Priimek / Naziv:







Podatki o napravi

Proizvajalec:


Tip:


Serijska številka:


Podatki o zagonu

Datum zagona:


* Preizkus hidravlike sistema [ ]

Opomba:


* Preizkus električnega priključka [ ]

Opomba:


* Nastavitev regulacije [ ]

Opomba:


* Preizkus dodatnih funkcij [ ]

Opomba:


Stranka/uporabnik poučen o upravljanju naprave [ ]

Opomba:


Datum in kraj: ___________________________

Podpis izvajalca zagona: ___________________ Podpis stranke: ___________________

S podpisom stranka izjavlja, da je seznanjena s pravilnim upravljanjem naprave.
* - Polja označena z zvezdico, se izpolnjujejo po potrebi, odvisno od naprave in vrste zagona.

15
Dodatek A

Praktični vodnik za upravljanje in nastavitve

Ta dodatek povzema postopke za branje in spreminjanje parametrov, prilagajanje delovanja in tovarniško resetiranje. Vsebina sledi uradnim navodilom proizvajalca in zaporedno vodi od osnovnega upravljanja do naprednih tehničnih nastavitev.

Sekcija 1Upravljanje, branje nastavitev in potrjevanje

Ta del krmilnika je namenjen splošnim nastavitvam moči, načina delovanja in preverjanju osnovnih parametrov.

Branje in spreminjanje parametrov tipa u (uporabniški)

Za vstop v meni pridržite tipko M (gumb za izbiro načina delovanja, poz. 2 - Slika 1) za 5 sekund — prikaže se parameter u01. Za pomikanje po seznamu uporabite gumb P (programiranje). Vrednost spreminjate s tipkama + in . Za izhod ponovno 5 sekund pridržite M.

Branje in spreminjanje parametrov tipa t (tehnični / delovni)

Za dostop do tehničnih nastavitev pridržite tipko P za 10 sekund. Prikaže se parameter t01; s pritiski na P se pomikate naprej po seznamu vse do t20. Vrednosti spreminjate s tipkama + in . Za izhod 10 sekund pritiskajte P.

Postopek potrjevanja (shranjevanja) nastavitev

Pri obeh tipih parametrov (u in t) ni posebne tipke za potrditev vnosa. Ko s tipkama + in izberete novo vrednost, podatek na zaslonu utripa. Počakajte 3 sekunde — ko vrednost preneha utripati in ostane nepremična, se sprememba samodejno shrani.

Preverjanje trenutnega načina delovanja (Mode)

Aktivni način preverite z vpogledom v parameter u03. Vrednost 0 (privzeto) pomeni način A — gorilnik upravlja zunanji kontakt na sponkah T1-T2. Vrednosti 1 in 2 pomenita načina B in C — upravljanje gorilnika z notranjo uro ali zunanjim kontaktom.

Drugi tipi vnosov na krmilniku

Krmilnik poleg parametrov u in t neposredno prikazuje nastavitve časa (utripajoči ikoni URA in DAN), tedenske programe in diagnostiko. V primeru motenj zaslon utripa in prikaže kodo napake — z oznako A (npr. A01 – izpad vžiga) ali F (npr. F05 – napaka tlaka).

16

Sekcija 2Praktične nastavitve, prilagajanje in tovarniški reset

Za pravilno delovanje in optimalen izkoristek energenta skrbijo tehnični parametri, ki krmilijo motorja polža in ventilatorja. Vgradnjo in umerjanje teh vrednosti morajo opraviti strokovno kvalificirane osebe.

Čas vrtenja polža na začetku (predpolnjenje)

Določa parameter t04 (čas vklopa polža pri vžigu). Vrednost se nastavlja od 0 do 100, pri čemer 1 enota pomeni 4 sekunde (privzeta nastavitev je 12, kar ustreza 48 sekundam).

Moč ognja (maksimalna moč gorilnika)

Moč nastavlja uporabniški parameter u02 v razponu od 1 (14 kW) do 5 (34 kW); privzeta vrednost je 3 (25 kW). Največjo moč izberite glede na zmogljivost priključenega kotla.

Moč ventilatorja

Določena je z nastavitveno točko v Pascalih (Pa) za posamezno stopnjo. Pri vžigu jo nastavlja parameter t03 (privzeto 51 Pa). Za stopnje moči od 1 do 5 se uporabljajo parametri t08, t10, t12, t14 in t16 (privzete vrednosti od 38 Pa pri moči 1 do 170 Pa pri moči 5).

Količina sprotnega dodajanja goriva (impulzi polža)

Delovanje polža je razdeljeno na delovne periode (čas vklopa + izklopa); skupno periodo določa parameter t07 (privzeto 10 sekund). Čas, ko znotraj periode polž dejansko dodaja pelete za vsako stopnjo moči, se nastavlja s parametri t09, t11, t13, t15 in t17. Lestvica sega od 0 do 100, pri čemer 100 ustreza celotnim 10 sekundam delovanja.

Resetiranje na tovarniške nastavitve

Gorilnik nima vgrajene bližnjice ali gumba za hkratno vrnitev vseh nastavitev (Global Reset). Če pride do razglasitve parametrov, vstopite v meni u in meni t ter ročno popravite vrednosti vsakega parametra na tiste, ki so navedene v stolpcu “Privzeta vrednost” v Tabeli 1 in Tabeli 2 uradnega priročnika.

Nastavitve glede na vrsto peletov in umerjanje

Proizvajalec priporoča uporabo kakovostnih peletov: tisti slabe kakovosti znižujejo toplotno moč in povečujejo vsebnost pepela.

  • Peleti so po teži in sestavi različni (npr. mehka smreka v primerjavi s trdim hrastom), zato je po zamenjavi energenta običajno treba prilagoditi podtlak in izgorevanje.
  • Umerjanje izvedite z analizatorjem izgorevanja: vrednost O₂ mora biti med 5 % in 9 %. Če so vrednosti izven obsega, popravite parameter ventilatorja t pri tisti moči, kjer trenutno deluje gorilnik.

Opomba za iskanje tipičnih vrednosti: priporočila za specifične tipe peletov in neformalne izkušnje se najpogosteje nahajajo na strokovnih forumih (iskalni nizi npr. Lamborghini ECO 3.4 P pellet setup forum) ali v bazah inštalaterjev in tehničnih pooblaščencev.

17